Thông số kỹ thuật vòi sen tắm Nhật TOTO TBV03429V/TBW01008A
- Tên sản phẩm: Sen tắm nhiệt độ Nhật Bản GG
- Mã sản phẩm: TBV03429V/TBW01008A
- Bát sen tiết kiệm nước
- Đầu vòi và tay sen có nút điều chỉnh lưu lượng nước
-
Bát sen Aerial Shower
-
Bao gồm gác sen, không bao gồm cút nối tường
-
Sử dụng công nghệ van nhiệt SMA
-
Áp lực nước: 0.05MPa ~ 0.75MPa
-
Lớp mạ: Nickel Chrome
-
TBV03429V – Xuất xứ: Nhật Bản
-
TBW01008A – Xuất xứ: Trung Quốc
Tính năng vòi sen nhiệt độ tự động TOTO TBV03429V-TBW01008A
- Sen tắm nhiệt độ Nhật Bản dòng GG
- Sử dụng công nghệ van nhiệt SMA Tay gạt đóng mở thiết kế hình cung, làm bằng chất liệu kim loại cao cấp dễ sử dụng
- Thiết kế mang đậm phong cách Nhật
- Bát sen Aerial Shower tiết kiệm nước
- Lớp mạ bền vững với thời gian
- Thân van bằng đồng thau
- Van đĩa bằng sứ chống bám cặn bẩn giúp khóa nước hoàn toàn
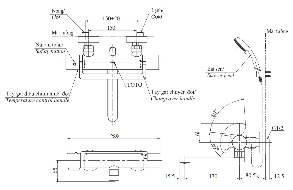
Bản vẽ sen tắm xả bồn TBV03429V TBW01008A


Chương trình khuyến mãi Thiết bị nhà bếp Malloca “Đại Tiệc Siêu To – Ưu Đãi Siêu Khủng”
Chương trình khuyến mãi INAX MÙA HÈ 2023 – SPA TẠI GIA KHÔNG ĐÂU BẰNG NHÀ
GIỚI THIỆU VỀ THƯƠNG HIỆU “THIẾT BỊ NHÀ BẾP MALLOCA VIỆT NAM”
Có nên lựa chọn dùng Bình nước nóng gián tiếp Atlantic, Máy nước nóng trực tiếp Centon?
Atlantic Centon là thương hiệu máy nước nóng của nước nào?
Bếp nấu
Máy hút mùi
giặt – rửa
Gia Dụng
Men Sứ
Sen Vòi
phụ kiện
men Sứ
Sen Vòi
phụ kiện
men Sứ
Sen Vòi
phụ kiện
men Sứ
Sen Vòi
phụ kiện
Bình nước nóng gián tiếp
Máy nước nóng trực tiếp
phòng tắm
nhà bếp
Tiện ích khác
Phòng tắm
nhà bếp
phụ kiện
men Sứ – Đá
Sen Vòi Đồng
phụ kiện
men Sứ
Sen Vòi
Nhà Bếp
phụ kiện
Máy NLMT Ariston
Máy NLMT Ferroli
Máy NLMT Đại Thành
Máy NLMT Sơn Hà
Máy NLMT Toàn Mỹ
Bồn Inox Đại Thành
Bồn nhựa Đại Thành
Chậu inox Đại Thành
Máy lọc nước Đại Thành



