Thông tin cơ bản bộ sen tắm Grohe Euphoria 260 27296002 nóng lạnh
- Mã sản phẩm: 27296002
- Tên sản phẩm: Bộ sen cây Grohe Euphoria 260 đến từ thương hiệu thiết bị vệ sinh Grohe
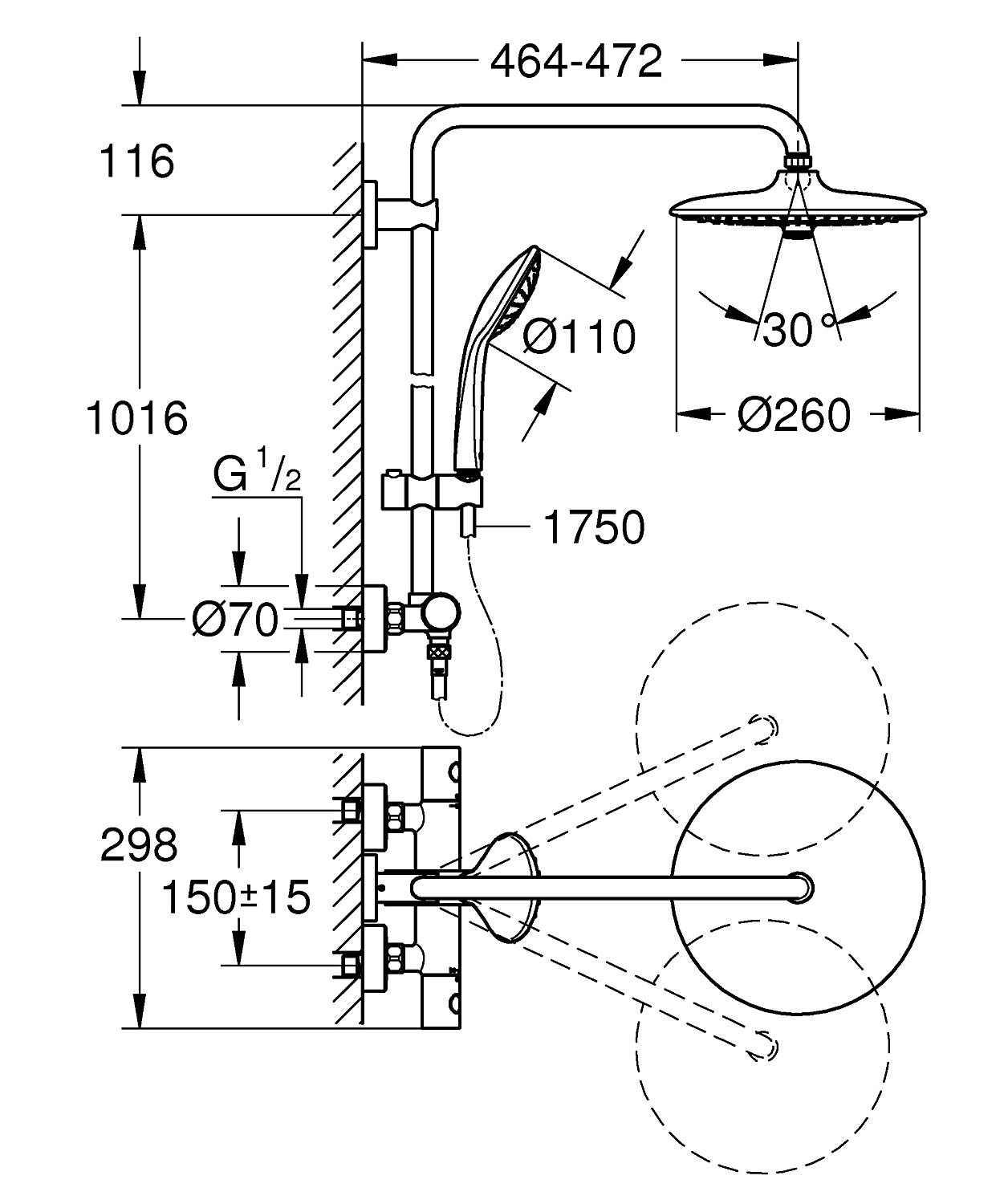
- Áp lực nước: 0.15MPa ~ 0.75MPa
- Có tay sen cầm tay
- Kích thước bát sen: 260 mm
- Chiều dài thân sen: 1016 mm
- Không có chức năng xả chậu
- Chất liệu: Đồng thau
- Lớp mạ: Nickel Chrome
- Xuất xứ: Bồ Đào Nha
Tính năng bộ sen tắm Euphoria 260 Grohe 27296002
- Máy trộn tĩnh nhiệt cho nhiệt độ và lưu lượng nước không đổi
- Đầu vòi hoa sen lớn cho trải nghiệm sang trọng
- Chống trầy xước và dễ dàng để làm sạch
- Dễ lắp đặt và bảo trì
Bản vẽ kỹ thuật bộ sen cây Euphoria 260 Grohe 27296002


Chương trình khuyến mãi Thiết bị nhà bếp Malloca “Đại Tiệc Siêu To – Ưu Đãi Siêu Khủng”
Chương trình khuyến mãi INAX MÙA HÈ 2023 – SPA TẠI GIA KHÔNG ĐÂU BẰNG NHÀ
GIỚI THIỆU VỀ THƯƠNG HIỆU “THIẾT BỊ NHÀ BẾP MALLOCA VIỆT NAM”
Có nên lựa chọn dùng Bình nước nóng gián tiếp Atlantic, Máy nước nóng trực tiếp Centon?
Atlantic Centon là thương hiệu máy nước nóng của nước nào?
Bếp nấu
Máy hút mùi
giặt – rửa
Gia Dụng
Men Sứ
Sen Vòi
phụ kiện
men Sứ
Sen Vòi
phụ kiện
men Sứ
Sen Vòi
phụ kiện
men Sứ
Sen Vòi
phụ kiện
Bình nước nóng gián tiếp
Máy nước nóng trực tiếp
phòng tắm
nhà bếp
Tiện ích khác
Phòng tắm
nhà bếp
phụ kiện
men Sứ – Đá
Sen Vòi Đồng
phụ kiện
men Sứ
Sen Vòi
Nhà Bếp
phụ kiện
Máy NLMT Ariston
Máy NLMT Ferroli
Máy NLMT Đại Thành
Máy NLMT Sơn Hà
Máy NLMT Toàn Mỹ
Bồn Inox Đại Thành
Bồn nhựa Đại Thành
Chậu inox Đại Thành
Máy lọc nước Đại Thành





