Thông số kỹ thuật vòi chậu gật gù TOTO TLS04306V nóng lạnh
Sản phẩm bao gồm bộ xả, không gồm ống thải chữ P
- Áp lực nước: 0.05MPa ~ 0.75MPa
- Lớp mạ: Nickel Chrome
- Xuất xứ: Việt Nam
- Có thể dùng với ống thải nước chữ P: TVLF401
Tính năng vòi lavabo TOTO TLS04306V
- Thiết kế hiện đại hài hòa với dòng sản phẩm LF Series
- Lớp mạ bền vững với thời gian
- Thân van bằng đồng thau
- Van đĩa bằng sứ chống bám cặn bẩn giúp khóa nước hoàn toàn
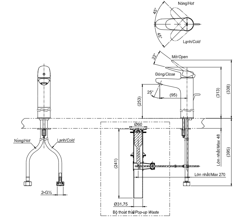
Bản vẽ kỹ thuật vòi lavabo TOTO TLS04306V


Chương trình khuyến mãi Thiết bị nhà bếp Malloca “Đại Tiệc Siêu To – Ưu Đãi Siêu Khủng”
Chương trình khuyến mãi INAX MÙA HÈ 2023 – SPA TẠI GIA KHÔNG ĐÂU BẰNG NHÀ
GIỚI THIỆU VỀ THƯƠNG HIỆU “THIẾT BỊ NHÀ BẾP MALLOCA VIỆT NAM”
Có nên lựa chọn dùng Bình nước nóng gián tiếp Atlantic, Máy nước nóng trực tiếp Centon?
Atlantic Centon là thương hiệu máy nước nóng của nước nào?
Bếp nấu
Máy hút mùi
giặt – rửa
Gia Dụng
Men Sứ
Sen Vòi
phụ kiện
men Sứ
Sen Vòi
phụ kiện
men Sứ
Sen Vòi
phụ kiện
men Sứ
Sen Vòi
phụ kiện
Bình nước nóng gián tiếp
Máy nước nóng trực tiếp
phòng tắm
nhà bếp
Tiện ích khác
Phòng tắm
nhà bếp
phụ kiện
men Sứ – Đá
Sen Vòi Đồng
phụ kiện
men Sứ
Sen Vòi
Nhà Bếp
phụ kiện
Máy NLMT Ariston
Máy NLMT Ferroli
Máy NLMT Đại Thành
Máy NLMT Sơn Hà
Máy NLMT Toàn Mỹ
Bồn Inox Đại Thành
Bồn nhựa Đại Thành
Chậu inox Đại Thành
Máy lọc nước Đại Thành



