Thông số kỹ thuật vòi chậu gật gù TOTO TLG10307B nóng lạnh gắn tường
- Mã sản phẩm: TLG10307B
- Tên sản phẩm: Vòi lavabo gắn tường gật gù nóng lạnh GB (2 lỗ)
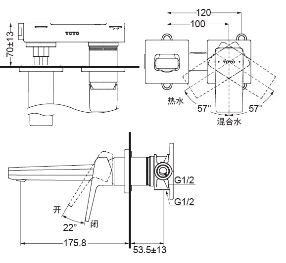
- Kích thước vòi (từ tâm xả nước đến tường): 175.8 mm
- Áp lực nước: 0.05MPa ~ 0.75MPa
- Lớp mạ: Nickel Chrome
- Không bao gồm bộ xả và ống thải chữ P
- Xuất xứ: Trung Quốc
- Có thể dùng với bộ xả và ống thải chữ P: TVLF405 hoặc T6JV2N + TVLF402
Tính năng vòi lavabo gắn tường TOTO TLG10307B
- Thiết kế hiện đại hài hòa với dòng sản phẩm GB
- Lớp mạ bền vững với thời gian
- Thân van bằng đồng thau
- Van đĩa bằng sứ chống bám cặn bẩn giúp khóa nước hoàn toàn
Bản vẽ kỹ thuật vòi TOTO TLG10307B


Vòi Lavabo Viglacera VG1028.1 Cảm Ứng Dùng Pin Nóng Lạnh
Chương trình khuyến mãi Thiết bị nhà bếp Malloca “Đại Tiệc Siêu To – Ưu Đãi Siêu Khủng”
Chương trình khuyến mãi INAX MÙA HÈ 2023 – SPA TẠI GIA KHÔNG ĐÂU BẰNG NHÀ
GIỚI THIỆU VỀ THƯƠNG HIỆU “THIẾT BỊ NHÀ BẾP MALLOCA VIỆT NAM”
Có nên lựa chọn dùng Bình nước nóng gián tiếp Atlantic, Máy nước nóng trực tiếp Centon?
Atlantic Centon là thương hiệu máy nước nóng của nước nào?
Bếp nấu
Máy hút mùi
giặt – rửa
Gia Dụng
Men Sứ
Sen Vòi
phụ kiện
men Sứ
Sen Vòi
phụ kiện
men Sứ
Sen Vòi
phụ kiện
men Sứ
Sen Vòi
phụ kiện
Bình nước nóng gián tiếp
Máy nước nóng trực tiếp
phòng tắm
nhà bếp
Tiện ích khác
Phòng tắm
nhà bếp
phụ kiện
men Sứ – Đá
Sen Vòi Đồng
phụ kiện
men Sứ
Sen Vòi
Nhà Bếp
phụ kiện
Máy NLMT Ariston
Máy NLMT Ferroli
Máy NLMT Đại Thành
Máy NLMT Sơn Hà
Máy NLMT Toàn Mỹ
Bồn Inox Đại Thành
Bồn nhựa Đại Thành
Chậu inox Đại Thành
Máy lọc nước Đại Thành



