Thông tin vòi lavabo cảm ứng TOTO TEN40ANV900/TN78-9V900/TVLF405
- Vòi cảm ứng TOTO TEN40ANV900+TN78-9V900+TVLF405 nước lạnh của thương hiệu thiết bị vệ sinh TOTO trong đó:
- Nguồn năng lượng: Pin dự trữ + Bộ phận tự tái tạo năng lượng bằng công nghệ Eco-power
- Năng lượng tiêu thụ: 0.4W (0.6W khi hoạt động)
- Áp lực nước: 0.05MPa ~ 0.75MPa
- Lượng nước sử dụng : 2L/phút
- Lớp mạ: Nickel Chrome
- Mã sản phẩm cũ: TEN40AV800/TN78-9V800/TVLF405
Sản phẩm vòi nước tự động bao gồm
- Vòi TEN40ANV900 : xuất xứ Thái Lan
- Bộ phận cảm ứng bằng Pin (nước lạnh) tự động TN78-9V900: xuất xứ Thái Lan
- Cổ thoát nước kèm ống thải chữ P (Bao gồm dây cấp) TVLF405: xuất xứ Trung Quốc
Tính năng bộ vòi cảm ứng TEN40ANV900-TN78-9V900
- Tiện nghi, dễ sử dụng. Vòi cảm ứng tự động hạn chế lãng phí nước.
- Thiết kế an toàn, phổ biến
- Sử dụng nước một cách khoa học, thân thiện môi trường
- Phù hợp sử dụng nơi công cộng và trong gia đình
- Lớp mạ bền vững với thời gian
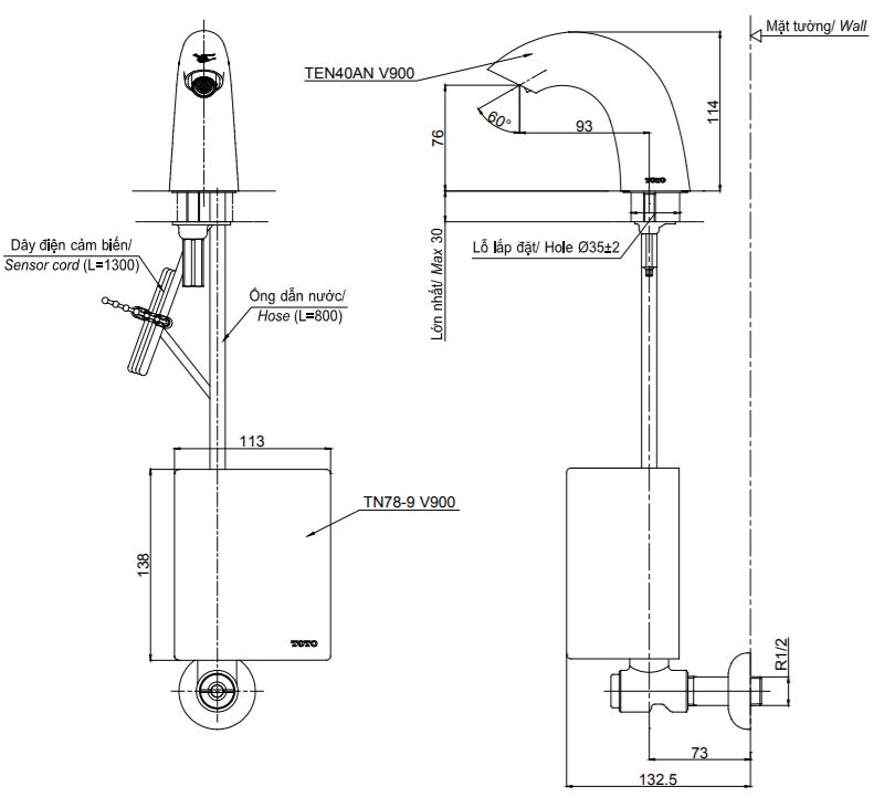
Bản vẽ kỹ thuật vòi TOTO TEN40ANV900 TN78-9V900 TVLF405


Chương trình khuyến mãi Thiết bị nhà bếp Malloca “Đại Tiệc Siêu To – Ưu Đãi Siêu Khủng”
Chương trình khuyến mãi INAX MÙA HÈ 2023 – SPA TẠI GIA KHÔNG ĐÂU BẰNG NHÀ
GIỚI THIỆU VỀ THƯƠNG HIỆU “THIẾT BỊ NHÀ BẾP MALLOCA VIỆT NAM”
Có nên lựa chọn dùng Bình nước nóng gián tiếp Atlantic, Máy nước nóng trực tiếp Centon?
Atlantic Centon là thương hiệu máy nước nóng của nước nào?
Bếp nấu
Máy hút mùi
giặt – rửa
Gia Dụng
Men Sứ
Sen Vòi
phụ kiện
men Sứ
Sen Vòi
phụ kiện
men Sứ
Sen Vòi
phụ kiện
men Sứ
Sen Vòi
phụ kiện
Bình nước nóng gián tiếp
Máy nước nóng trực tiếp
phòng tắm
nhà bếp
Tiện ích khác
Phòng tắm
nhà bếp
phụ kiện
men Sứ – Đá
Sen Vòi Đồng
phụ kiện
men Sứ
Sen Vòi
Nhà Bếp
phụ kiện
Máy NLMT Ariston
Máy NLMT Ferroli
Máy NLMT Đại Thành
Máy NLMT Sơn Hà
Máy NLMT Toàn Mỹ
Bồn Inox Đại Thành
Bồn nhựa Đại Thành
Chậu inox Đại Thành
Máy lọc nước Đại Thành



