Thông tin bồn tiểu nam TOTO UT904S treo tường
- Bồn tiểu nam TOTO UT904S treo tường của hãng thiết bị vệ sinh TOTO
- Tiêu chuẩn kỹ thuật
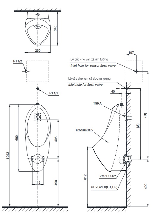
- Kích thước : 345Dx260Wx675H mm
- Áp lực nước : 0.07MPa ~ 0.75MPa
- Lượng nước xả: 4 Lít
- Màu sắc : Màu trắng
- Vị trí lỗ cấp nước : Lỗ cấp trên
- Xuât xứ: Việt Nam
- Mã sản phẩm cũ: UT904S
Chi tiết phụ kiện sản phẩm: UT904N
- Tiểu nam: U904S
- Thân sứ: UW904SV
- Móc treo: T9RA
- Nối tường: VM3D006Y
Tính năng bồn tiểu TOTO UT904 N
- Thiết kế nhỏ gọn, tiện dụng với vách ngăn tạo không gian riêng tư
- Chế độ xả trải đều mạnh mẽ
Tùy chọn van xả cho bồn tiểu TOTO UT 904N
-
Van xả nhấn : T60S – (A) =740
- Van xả cảm ứng dùng PIN: DUE137PBK – (A) =740, TTUE602DN – (B)=910
- Van xả cảm ứng dùng Điện : TTUE602AN – (B)=910
Nếu dùng van xả tiểu cảm ứng âm tường phải mua kèm ống nối HS376TT
Bản vẽ kỹ thuật bồn tiểu nam TOTO UT 904 N


Thái Dương Năng Sơn Hà TITAN Ống Dầu 320L Ø58
Chậu Rửa Mặt Lavabo TOTO LW631JW Đặt Bàn
Nắp Đậy Nút Nhấn Xả TOTO MB170P#SS Màu Bạc
Chương trình khuyến mãi Thiết bị nhà bếp Malloca “Đại Tiệc Siêu To – Ưu Đãi Siêu Khủng”
Chương trình khuyến mãi INAX MÙA HÈ 2023 – SPA TẠI GIA KHÔNG ĐÂU BẰNG NHÀ
GIỚI THIỆU VỀ THƯƠNG HIỆU “THIẾT BỊ NHÀ BẾP MALLOCA VIỆT NAM”
Có nên lựa chọn dùng Bình nước nóng gián tiếp Atlantic, Máy nước nóng trực tiếp Centon?
Atlantic Centon là thương hiệu máy nước nóng của nước nào?
Bếp nấu
Máy hút mùi
giặt – rửa
Gia Dụng
Men Sứ
Sen Vòi
phụ kiện
men Sứ
Sen Vòi
phụ kiện
men Sứ
Sen Vòi
phụ kiện
men Sứ
Sen Vòi
phụ kiện
Bình nước nóng gián tiếp
Máy nước nóng trực tiếp
phòng tắm
nhà bếp
Tiện ích khác
Phòng tắm
nhà bếp
phụ kiện
men Sứ – Đá
Sen Vòi Đồng
phụ kiện
men Sứ
Sen Vòi
Nhà Bếp
phụ kiện
Máy NLMT Ariston
Máy NLMT Ferroli
Máy NLMT Đại Thành
Máy NLMT Sơn Hà
Máy NLMT Toàn Mỹ
Bồn Inox Đại Thành
Bồn nhựa Đại Thành
Chậu inox Đại Thành
Máy lọc nước Đại Thành



