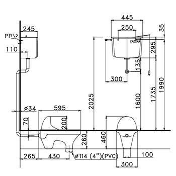
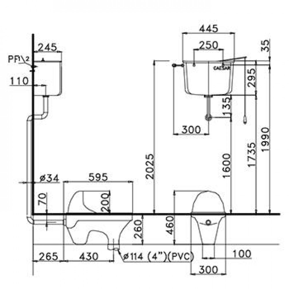
Thông tin cơ bản bồn cầu Caesar CS1230
- Mã sản phẩm: CS1230
- Kích thước: 595×300 mm
- Tâm thoát phân: 695 mm
- Két nước treo tường: T1100
- Linh kiện: FP807A
- Lượng nước xả: 6L
- Áp lực nước: 0.7-5 kgf/cm² (0.07-0.5MPa)
- Màu sắc: Trắng
Tính năng bồn cầu xổm Caesar C1230 két nước T1100
- Bồn cầu xổm CS1230 thiết kế mới đơn giản, gọn gàng .
- Thích hợp với các công trình công cộng
Bản vẽ kỹ thuật bàn cầu xổm CS1230 Caesar


Chương trình khuyến mãi Thiết bị nhà bếp Malloca “Đại Tiệc Siêu To – Ưu Đãi Siêu Khủng”
Chương trình khuyến mãi INAX MÙA HÈ 2023 – SPA TẠI GIA KHÔNG ĐÂU BẰNG NHÀ
GIỚI THIỆU VỀ THƯƠNG HIỆU “THIẾT BỊ NHÀ BẾP MALLOCA VIỆT NAM”
Có nên lựa chọn dùng Bình nước nóng gián tiếp Atlantic, Máy nước nóng trực tiếp Centon?
Atlantic Centon là thương hiệu máy nước nóng của nước nào?
Bếp nấu
Máy hút mùi
giặt – rửa
Gia Dụng
Men Sứ
Sen Vòi
phụ kiện
men Sứ
Sen Vòi
phụ kiện
men Sứ
Sen Vòi
phụ kiện
men Sứ
Sen Vòi
phụ kiện
Bình nước nóng gián tiếp
Máy nước nóng trực tiếp
phòng tắm
nhà bếp
Tiện ích khác
Phòng tắm
nhà bếp
phụ kiện
men Sứ – Đá
Sen Vòi Đồng
phụ kiện
men Sứ
Sen Vòi
Nhà Bếp
phụ kiện
Máy NLMT Ariston
Máy NLMT Ferroli
Máy NLMT Đại Thành
Máy NLMT Sơn Hà
Máy NLMT Toàn Mỹ
Bồn Inox Đại Thành
Bồn nhựa Đại Thành
Chậu inox Đại Thành
Máy lọc nước Đại Thành





