Thông tin cơ bản bồn cầu TOTO MS904E4 nắp rửa cơ
- Bàn cầu của thương hiệu thiết bị vệ sinh TOTO
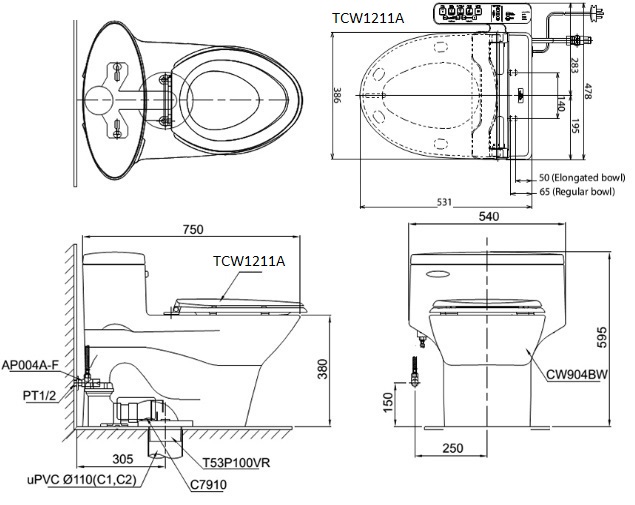
- Tên sản phẩm: Bàn cầu TOTO MS904E4 Nắp êm, bồn cầu TOTO một khối kèm nắp êm TCW1211A
- Men sứ chống dính CeFiONtect
- Hệ thống xả G-MAX Siphon-Jet mạnh mẽ, hiệu quả (6L)
- Thân dài, thân kín
- Tâm xả: 305mm
- Lượng nước xả: 6L
- Kích thước: 730x420x720 mm
- Áp lực nước: 0.05MPa~0.75MPa
- Màu sắc: Màu trắng
- Bao gồm bích nối sàn, van dừng
Tính năng bàn cầu tự rửa MS904E4 TOTO
- Bàn cầu nắp rửa cơ MS904E4 được thiết kế sang trọng, hiện đại
- Thiết kế thân kín, vành kín tiện dụng cho việc vệ sinh hàng ngày
- Công nghệ CeFiONtect giúp lòng bàn cầu siêu nhẵn, hạn chế tối đa các vết bẩn, vi khuẩn
- Hệ thống xả xoáy Tornado mạnh mẽ, dòng nước xoáy đều quanh mặt cầu đem lại hiệu quả tối ưu
- Không cần điện
- Đơn giản, dể sử dụng
- Dể dàng lắp đặt với cả bồn cầu thân dài và thân tròn
Bồn cầu TOTO MS904E4 gồm có
- Thân cầu: C904 – Xuất xứ: Việt Nam
-
Nắp rửa cơ TCW1211A (E4) – Xuất xứ: Inđônêxia
Bản vẽ bồn cầu MS904 nắp rửa cơ TCW1211A TOTO


Chương trình khuyến mãi Thiết bị nhà bếp Malloca “Đại Tiệc Siêu To – Ưu Đãi Siêu Khủng”
Chương trình khuyến mãi INAX MÙA HÈ 2023 – SPA TẠI GIA KHÔNG ĐÂU BẰNG NHÀ
GIỚI THIỆU VỀ THƯƠNG HIỆU “THIẾT BỊ NHÀ BẾP MALLOCA VIỆT NAM”
Có nên lựa chọn dùng Bình nước nóng gián tiếp Atlantic, Máy nước nóng trực tiếp Centon?
Atlantic Centon là thương hiệu máy nước nóng của nước nào?
Bếp nấu
Máy hút mùi
giặt – rửa
Gia Dụng
Men Sứ
Sen Vòi
phụ kiện
men Sứ
Sen Vòi
phụ kiện
men Sứ
Sen Vòi
phụ kiện
men Sứ
Sen Vòi
phụ kiện
Bình nước nóng gián tiếp
Máy nước nóng trực tiếp
phòng tắm
nhà bếp
Tiện ích khác
Phòng tắm
nhà bếp
phụ kiện
men Sứ – Đá
Sen Vòi Đồng
phụ kiện
men Sứ
Sen Vòi
Nhà Bếp
phụ kiện
Máy NLMT Ariston
Máy NLMT Ferroli
Máy NLMT Đại Thành
Máy NLMT Sơn Hà
Máy NLMT Toàn Mỹ
Bồn Inox Đại Thành
Bồn nhựa Đại Thành
Chậu inox Đại Thành
Máy lọc nước Đại Thành



