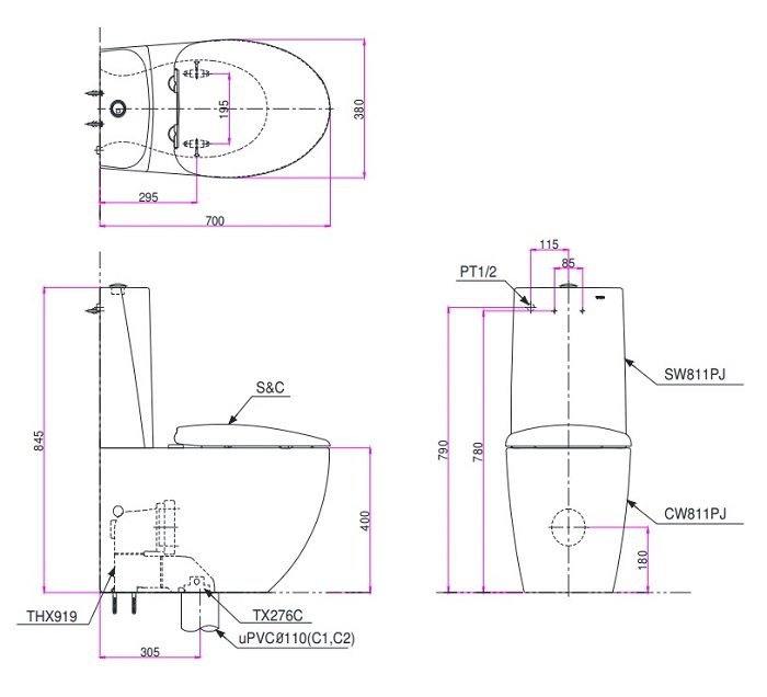
Thông số kỹ thuật bồn cầu TOTO CW811PJWS/SW811JPW/F
- Bộ sưu tập: LE MUSE
- Mã sản phẩm: CW811PJWS/SW811JPW/F
- Tên sản phẩm: Bàn cầu hai khối nắp đóng êm TC811SJ
- Hệ thống xả: Xả thẳng, 2 chế độ
- Lượng nước xả: 4.8/3L
- Thiết kế: Thân dài
- Tâm xả: 305mm
- Kích thước: 700x380x845 mm
- Áp lực nước: 0.05MPa~0.75MPa
- Màu sắc: Màu trắng
- Bao gồm van dừng và gioăng đế
- Xuất xứ: Inđônêxia
- Công nghệ: Nhật Bản
Tính năng bồn cầu vệ sinh CW811PJWS
- Thiết kế sang trọng, hiện đại
- Nắp đóng êm
- Công nghệ CeFiONtect giúp lòng bàn cầu siêu nhẵn, hạn chế tối đa các vết bẩn, vi khuẩn
- Thiết kế thân kín giúp tiết kiệm thời gian, chi phí vệ sinh sản phẩm
Bồn cầu bao gồm 3 bộ phận
- Thân cầu: CW811PJWS
- Két nước: SW811JPW/F
- Nắp bồn cầu êm: TC811SJ
- Bích nối sàn: THX919
Bản vẽ kỹ thuật xí bệt TOTO CW811


Chương trình khuyến mãi Thiết bị nhà bếp Malloca “Đại Tiệc Siêu To – Ưu Đãi Siêu Khủng”
Chương trình khuyến mãi INAX MÙA HÈ 2023 – SPA TẠI GIA KHÔNG ĐÂU BẰNG NHÀ
GIỚI THIỆU VỀ THƯƠNG HIỆU “THIẾT BỊ NHÀ BẾP MALLOCA VIỆT NAM”
Có nên lựa chọn dùng Bình nước nóng gián tiếp Atlantic, Máy nước nóng trực tiếp Centon?
Atlantic Centon là thương hiệu máy nước nóng của nước nào?
Bếp nấu
Máy hút mùi
giặt – rửa
Gia Dụng
Men Sứ
Sen Vòi
phụ kiện
men Sứ
Sen Vòi
phụ kiện
men Sứ
Sen Vòi
phụ kiện
men Sứ
Sen Vòi
phụ kiện
Bình nước nóng gián tiếp
Máy nước nóng trực tiếp
phòng tắm
nhà bếp
Tiện ích khác
Phòng tắm
nhà bếp
phụ kiện
men Sứ – Đá
Sen Vòi Đồng
phụ kiện
men Sứ
Sen Vòi
Nhà Bếp
phụ kiện
Máy NLMT Ariston
Máy NLMT Ferroli
Máy NLMT Đại Thành
Máy NLMT Sơn Hà
Máy NLMT Toàn Mỹ
Bồn Inox Đại Thành
Bồn nhựa Đại Thành
Chậu inox Đại Thành
Máy lọc nước Đại Thành



