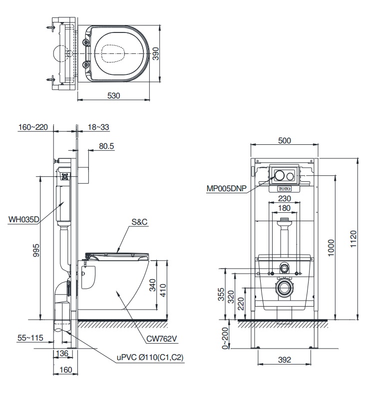
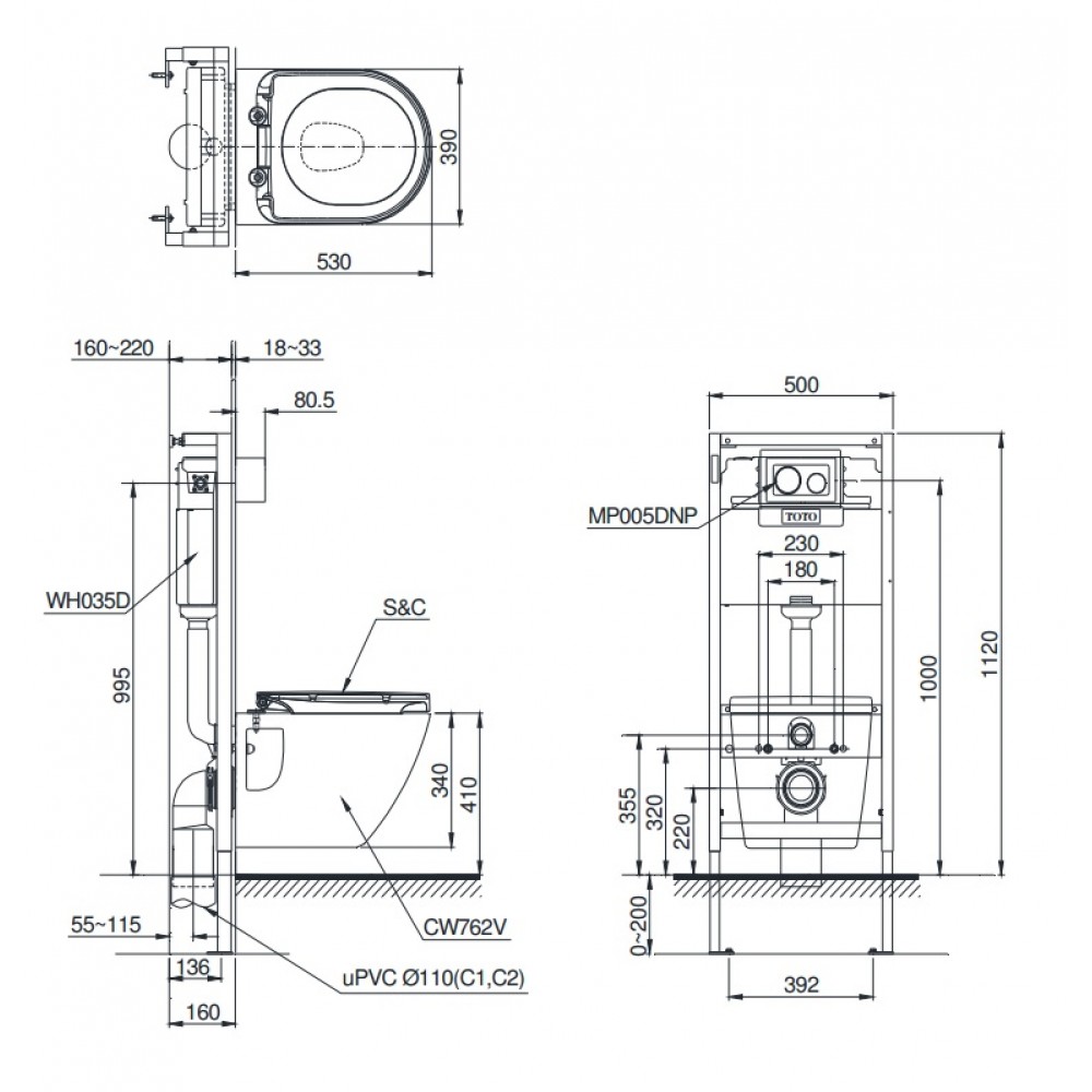
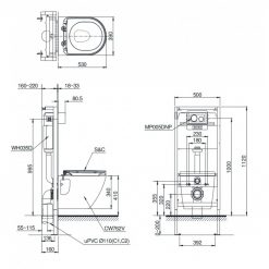
Thông số kỹ thuật bồn cầu TOTO CW762:
- Bộ sưu tập: BASIC+
- Mã sản phẩm: CW762
- Tên sản phẩm: Bàn cầu treo tường BASIC+ , nắp đóng êm TC384CVK
- Hệ thống xả: Tornado Siphon-Jet
- Thiết kế: Dáng chữ D
- Tâm xả: 220 mm (thoát ngang)
- Kích thước: 530x390x340 mm
- Áp lực nước: 0.05Mpa~0.75Mpa
- Màu sắc: Màu trắng
Tính năng bồn cầu vệ sinh TOTO CW762/WH035D/MB005DCP:
- Thiết kế sang trọng, hiện đại phù hợp với bộ BASIC+
- Nắp đóng êm
- Công nghệ CeFiONtect giúp lòng bàn cầu siêu nhẵn, hạn chế tối đa các vết bẩn, vi khuẩn
- Thiết kế thân kín giúp tiết kiệm thời gian, chi phí vệ sinh sản phẩm
- Bàn cầu kiểu dáng treo tường giúp dễ dàng vệ sinh
- Thiết kế két nước âm tường
Chi tiết phụ kiện bồn cầu treo tường gồm có:
- Thân cầu: CW762 – Xuất xứ: Việt Nam
- Két nước và khung âm tường: WH035D – Xuất xứ: Trung Quốc
- Nắp đậy nút xả nhấn: MB005DCP – Xuất xứ: Trung Quốc
- Nắp bồn cầu: TC384CVK – Xuất xứ: Trung Quốc
Bản vẽ kỹ thuật xí bệt CW762 WH035D MB005DCP:

Video giới thiệu bồn cầu âm tường TOTO CW762 bồn cầu treo tường thùng nước âm

Chương trình khuyến mãi Thiết bị nhà bếp Malloca “Đại Tiệc Siêu To – Ưu Đãi Siêu Khủng”
Chương trình khuyến mãi INAX MÙA HÈ 2023 – SPA TẠI GIA KHÔNG ĐÂU BẰNG NHÀ
GIỚI THIỆU VỀ THƯƠNG HIỆU “THIẾT BỊ NHÀ BẾP MALLOCA VIỆT NAM”
Có nên lựa chọn dùng Bình nước nóng gián tiếp Atlantic, Máy nước nóng trực tiếp Centon?
Atlantic Centon là thương hiệu máy nước nóng của nước nào?
Bếp nấu
Máy hút mùi
giặt – rửa
Gia Dụng
Men Sứ
Sen Vòi
phụ kiện
men Sứ
Sen Vòi
phụ kiện
men Sứ
Sen Vòi
phụ kiện
men Sứ
Sen Vòi
phụ kiện
Bình nước nóng gián tiếp
Máy nước nóng trực tiếp
phòng tắm
nhà bếp
Tiện ích khác
Phòng tắm
nhà bếp
phụ kiện
men Sứ – Đá
Sen Vòi Đồng
phụ kiện
men Sứ
Sen Vòi
Nhà Bếp
phụ kiện
Máy NLMT Ariston
Máy NLMT Ferroli
Máy NLMT Đại Thành
Máy NLMT Sơn Hà
Máy NLMT Toàn Mỹ
Bồn Inox Đại Thành
Bồn nhựa Đại Thành
Chậu inox Đại Thành
Máy lọc nước Đại Thành



