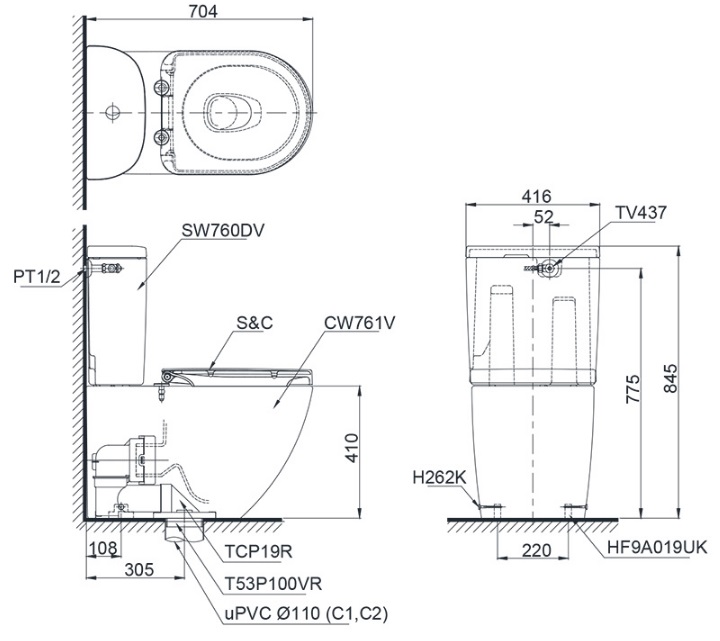
Thông số kỹ thuật bồn cầu nắp điện tử TOTO CS761DW5
- Bộ sưu tập: NEW WASHLET của thương hiệu thiết bị vệ sinh TOTO
- Tên sản phẩm: Bàn cầu TOTO CS761DW5 – Bồn cầu TOTO nắp điện tử Washlet TCF4732A (220V)
- Mã sản phẩm cũ: CST761DRV
- Hệ thống xả: ECOMAX hiệu quả, tiết kiệm nước
- Lượng nước xả: 4.8/3L
- Thiết kế: Thân chữ D
- Tâm xả: 305mm
- Kích thước: 845 x 410 x 704 x 416 (mm)
- Áp lực nước: 0.05MPa~0.75MPa
- Màu sắc: Màu trắng
- Bao gồm van khóa và bích nối sàn
Tính năng bồn cầu nắp rửa điện tử TOTO CS761DW5
- Có chức năng sưởi ấm nắp ngồi
- Tự động phun Ewater sương làm sạch lòng bồn cầu và vòi rửa bằng cách ngăn vi khuẩn đảm bảo vệ sinh
- 02 chế độ rửa trước, rửa sau massage linh hoạt, điều chỉnh vị trí vòi rửa
- Điều chỉnh nhiệt độ sấy, nước và bệ ngồi.
- Tính năng khử mùi được kích hoạt tự động
- Có bảng điều khiển từ xa (không dây) với 2 chế độ người dùng
Bồn cầu TOTO CS761DW5 bao gồm
- Thân cầu: C761 – Xuất xứ : Việt Nam
- Két nước: S760D – Xuất xứ : Việt Nam
- Nắp điện tử: TCF4732A – Xuất xứ: Malaysia
Bản vẽ nắp bệt điện tử TOTO CS761 nắp TCF4732A (W5)


Chương trình khuyến mãi Thiết bị nhà bếp Malloca “Đại Tiệc Siêu To – Ưu Đãi Siêu Khủng”
Chương trình khuyến mãi INAX MÙA HÈ 2023 – SPA TẠI GIA KHÔNG ĐÂU BẰNG NHÀ
GIỚI THIỆU VỀ THƯƠNG HIỆU “THIẾT BỊ NHÀ BẾP MALLOCA VIỆT NAM”
Có nên lựa chọn dùng Bình nước nóng gián tiếp Atlantic, Máy nước nóng trực tiếp Centon?
Atlantic Centon là thương hiệu máy nước nóng của nước nào?
Bếp nấu
Máy hút mùi
giặt – rửa
Gia Dụng
Men Sứ
Sen Vòi
phụ kiện
men Sứ
Sen Vòi
phụ kiện
men Sứ
Sen Vòi
phụ kiện
men Sứ
Sen Vòi
phụ kiện
Bình nước nóng gián tiếp
Máy nước nóng trực tiếp
phòng tắm
nhà bếp
Tiện ích khác
Phòng tắm
nhà bếp
phụ kiện
men Sứ – Đá
Sen Vòi Đồng
phụ kiện
men Sứ
Sen Vòi
Nhà Bếp
phụ kiện
Máy NLMT Ariston
Máy NLMT Ferroli
Máy NLMT Đại Thành
Máy NLMT Sơn Hà
Máy NLMT Toàn Mỹ
Bồn Inox Đại Thành
Bồn nhựa Đại Thành
Chậu inox Đại Thành
Máy lọc nước Đại Thành



